MTC. MTA. MTK. MTX

产品中心

MTC. MTA. MTK. MTX

MTC. MTA. MTK. MTX

如果您有任何问题可以联系我们!
联系我们
一、产品特点:
1、芯片与底板电气绝缘,2500V交流电压;
2、 国际标准封装;
3、真空+充氢保护焊接技术;
4、压接结构,优良的温度特性和功率循环能力;
5、输入-输出端之间隔离耐压≥2500VAC;
6、200A以下模块皆为强迫风冷,300A以上模块,既可选用风冷,也可选用水冷;
7、安装简单,使用维修方便,体积小,重量轻。
二、型号说明:

三、技术参数
型号  通态平
均电流
反向断态重复峰值电压 通态峰值电压 通态峰值电流 正反向重复
峰值电流
触发
电流
触发
电压
维持
电流
断态电压临界上升率 通态电流临界上升率 最高额定结温 绝缘电压 重量
It(AV) VdrmVrrm Vtm Itm IdrmIrrm Igt Vgt Ih dv/dt di/dt Tjm Viso Weight
Type A V V A mA mA V mA V/μs A/μs V(AC) g
MTx800A 800 400-2600 1.9 2400 40 200 3.0 100 800 100 125 2500 3500
MTx1000A 1000 400-2600 1.59 3000 40 200 3.0 100 800 100 125 2500

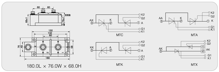
四、外形尺寸及电路联结形式:
五、产品应用:

1、交直流电机控制;2、各种整流电源;3、工业加热控制;4、调光;5、无触点开关;6、电机软起动;7、静止无功补尝;8、电焊机;9、变频器;10、UPS电源;11、电池充放电。
说明:
a. Vdsm/Vrsm=Vdrm/Vrrm+200V;
b. 除非另作说明,Lgt,Vgt,Ih,Vtm,Viso均为25下的调试值,表中其它参数皆为Tvjm下的测试值;
c. I2t=I2tsmTW/2,式中TW:正弦半波电流底宽,在50HZ频率下,I2t(10ms)=0.005I2tsm(A2S);
d. 当使用在电流为60HZ情况下,Itsm(8.3ms)=1.066(10ms),I2t(8.3ms)=0.943I2tsm(10ms)。

点击
隐藏

电话
咨询

0577-62698933
客服热线

电话
咨询

15868071133
客服热线