产品中心

MJGX-3FA

MJGX-3FA

如果您有任何问题可以联系我们!
联系我们

产品概述:
1、交流输出,采用双向可控硅输出,零电压开启,零电流关断。
2、直流输出采用双极型三极管输出,导通压降低开关速度快,抗干扰性强。
3、输入信号与TTO和COMS数字逻辑电路兼容。
4、输入回路与输出回路之间光隔离。
5、输入端-输出端之间隔离耐压2500V。
6、单列直插式线路板焊接式安装,标准模数化尺寸。
7、100%负载电流老化试验,通过欧共体CE认证,国际ISO9000认证,国内3C认证。

型号说明:


技术参数:











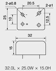
产品型号 MJGX-3FA 接线图
控制方式 直流控交流(DC-AC)  
负载电流 2A、3A
负载电压 240VAC 、380VAC
控制电压 DC3-32V
控制电流 6-35mA
通态漏电流 ≤1.5mA
通态降压 ≤1.2V
断态时间 ≤10mS
介质耐压 1500VAC
绝缘电阻 500MΩ/500VDC
环境温度 -25℃-+70℃
安装方式 印刷版式PCB
重量 18g 注:当作用于感性负载时,用户须加抑制电路


产品应用:
    SSR电路板式固态继电器采用阻燃工程塑料外壳,环氧树脂灌封,单列直插式线路板焊接式安装,标准模数化尺寸。与电磁继电器比较有无机械声、无触点引弧,有着较高的浪涌电流承受能力、寿命长、可靠性高。
    输入端驱动电流小可方便的与计算机终端和各种数字程控电路接口,实现了弱功率的隔离和控制。
    广泛应用在石油化工仪器设备,食品机械,包装机械,纺织机械,数控机床,塑料机械,健身器材,娱乐设施等自动化控制领域,可控制小型电动机、白炽灯、指示灯、小功率电源、智能仪器仪表和各种电磁阀等,也可作为大功率电磁接触器的推动级。特别适用于腐蚀、潮湿、防尘、要求防爆等恶劣环境,及频繁开关的场合。

安全注意事项:
1、使用在交流感性负载时,高瞬态电压及浪涌电流施加于输出端,因此可能导致固态继电器导通或损坏,通常需要在输出端接入具有特定钳位电压的电压控制器件,如双线稳压二极管或压敏电阻(MOV)。压敏电阻推荐取额定电压的1.6-1.9倍;
2、对于直流感性负载,如螺线管、电磁铁、电磁阀门,必须采用续流电路抑制关断时产生的反电动势,通常较简单的办法是与负载反向并联一个二级管,但此电路会影响感性负载如电磁继电器、接触器、电磁铁、电磁阀等的释放时间,较好的线路是一个二极管和一个稳压二极管反向串联或一个二极管与一个电阻串联后再与负载反向并联。
3、控制之接近最小负载电流的较小电流负载时,须在负载上并联一个虚拟负载电阻,以减小输出端漏电流在负载上产生较高的剩余电压。
4、线路板焊接式安装型继电器在焊接安装时,焊接温度必须控制在260摄氏度以下,焊接时间控制在5s以下。
5、为了避免固态继电器的温升超过允许值,设计应用时应考虑散热效果和安装位置,当两只或多只固态继电器并排安装时,应留有适当的间距。

点击
隐藏

电话
咨询

0577-62698933
客服热线

电话
咨询

15868071133
客服热线