一、产品特点:
1、芯片与底板电气绝缘,2500V交流电压;
2、 国际标准封装;
3、真空+充氢保护焊接技术;
4、压接结构,优良的温度特性和功率循环能力;
5、输入-输出端之间隔离耐压≥2500VAC;
6、200A以下模块皆为强迫风冷,300A以上模块,既可选用风冷,也可选用水冷;
7、安装简单,使用维修方便,体积小,重量轻。
二、型号说明:

三、技术参数:
| 型号 |
通态平 均电流 |
反向断态重复峰值电压 |
通态峰值电压 |
通态峰值电流 |
正反向重复 峰值电流 |
触发 电流 |
触发 电压 |
维持 电流 |
断态电压临界上升率 |
通态电流临界上升率 |
最高额定结温 |
绝缘电压 |
重量 |
| It(AV) |
VdrmVrrm |
Vtm |
Itm |
IdrmIrrm |
Igt |
Vgt |
Ih |
dv/dt |
di/dt |
Tjm |
Viso |
Weight |
| Type |
A |
V |
V |
A |
mA |
mA |
V |
mA |
V/μs |
A/μs |
℃ |
V(AC) |
g |
| MTx25A |
25 |
400-2600 |
1.5 |
80 |
8 |
100 |
2.5 |
100 |
800 |
50 |
125 |
2500 |
120 |
| MTx40A |
40 |
400-2600 |
1.5 |
120 |
8 |
100 |
2.5 |
100 |
800 |
50 |
125 |
2500 |
| MTx55A |
55 |
400-2600 |
1.5 |
170 |
8 |
100 |
2.5 |
100 |
800 |
50 |
125 |
2500 | |
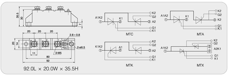
四、外形尺寸及电路联结形式:

五、产品应用:
1、交直流电机控制;2、各种整流电源;3、工业加热控制;4、调光;5、无触点开关;6、电机软起动;7、静止无功补尝;8、电焊机;9、变频器;10、UPS电源;11、电池充放电。
说明:
a. Vdsm/Vrsm=Vdrm/Vrrm+200V;
b. 除非另作说明,Lgt,Vgt,Ih,Vtm,Viso均为25下的调试值,表中其它参数皆为Tvjm下的测试值;
c. I2t=I2tsmTW/2,式中TW:正弦半波电流底宽,在50HZ频率下,I2t(10ms)=0.005I2tsm(A2S);
d. 当使用在电流为60HZ情况下,Itsm(8.3ms)=1.066(10ms),I2t(8.3ms)=0.943I2tsm(10ms;)