一、产品说明:
1、非绝缘,底板为分共电极;
2、国际标准封装;
3、真空+充氢保护焊接技术;
4、焊接结构,优良的温度特性和功率循环能力;
5、最高工作结温达140℃;
6、高浪涌电流;
7、低正向压降。
二、型号说明:

三、特性参数:
| 名称 |
型号 |
通态平均电流 |
反向断 态重复 峰值电压 |
正反向重复峰值电流 |
通态峰 值电压 |
通态峰值电流 |
触发 电流 |
触发 电压 |
维持 电流 |
断态电压临界上升率 |
通态电流临界上升率 |
额定 结温 |
重量 |
非绝缘型普通晶闸管电焊机 专用模块 MT |
Type |
IT(AV) |
VDRMVRRM |
IRRM |
VTM |
ITM |
IGT |
VGT |
IH |
dv/dt |
di/dt |
Tjm |
Weight |
| A |
V |
mA |
V |
A |
A |
V |
mA |
V/μs |
A/μs |
℃ |
g |
| MT160A |
160 |
400-2600 |
12 |
1.67 |
480 |
100 |
2.5 |
100 |
800 |
100 |
125 |
260 |
| MT200A |
200 |
400-2600 |
20 |
1.70 |
600 |
100 |
2.5 |
100 |
800 |
100 |
125 |
260 |
| MT300A |
300 |
400-2600 |
25 |
1.70 |
900 |
100 |
2.5 |
100 |
800 |
100 |
125 |
260 | |
| 名称 |
型号 |
通态平 均电流 |
反向断 态重复 峰值电压 |
正反向重复峰值电流 |
通态峰 值电压 |
通态峰 值电流 |
正向电流 有效值
|
最高额 定结温 |
重量 |
非绝缘型普通整流管电焊机 专用模块 MD |
Type |
IT(AV) |
VDRMVRRM |
IRRM |
VTM |
ITM |
IH |
Tjm |
Weight |
| A |
V |
mA |
V |
A |
mA |
℃ |
g |
| MD160A |
160 |
400-2600 |
12 |
1.57 |
480 |
236 |
150 |
260 |
| MD200A |
200 |
400-2600 |
20 |
1.60 |
600 |
314 |
150 |
260 |
| MD300A |
300 |
400-2600 |
25 |
1.60 |
900 |
471 |
150 |
260 | |
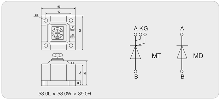
四、外形尺寸及电路图:

五、产品应用:
1、电焊机电源
2、各种DC电源
说明:
a. Vdsm/Vrsm=Vdrm/Vrrm+200V;
b. 除非另作说明,Lgt,Vgt,Ih,Vtm,Viso均为25下的调试值,表中其它参数皆为Tvjm下的测试值;
c. I2t=I2tsmTW/2,式中TW:正弦半波电流底宽,在50HZ频率下,I2t(10ms)=0.005I2tsm(A2S);
d. 当使用在电流为60HZ情况下,Itsm(8.3ms)=1.066(10ms),I2t(8.3ms)=0.943I2tsm(10ms)。